
所在地区湖北 · 襄阳发布日期2022-10-11 15:04:51
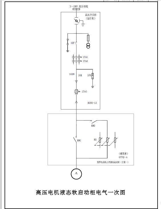
襄阳源创电气10kv高压电动机液态软启动柜 液态水阻启动柜技术性能优势:
1)液态软起动柜采用移动式和极板,具有良好的无级切换特性及可控性。
液体电阻具有负温度特性,即阻值随液温变化发生反比变化,但变化余量相对较小,且阻值不可能减小到零,负温度特性也是非线性的。液态软起动柜液阻箱内部由一组***固定电极和活动电极组成极板对,动电极通过一套绝缘的传动系统相连接,使得三相电阻在高压、较大电流情况下可以无级自动切换,保证起动过程的平滑、无冲击。同时,在起动完成时,动静极板接近,电阻趋近于零,运转切换时对电网不会产生二次电流冲击,对机械系统不会产生机械冲击。
2)液态软起动柜阻值具有良好的现场可调整性,对不同工况、负载的现场适应性强。
液态软起动柜的动电极初始位、切换液态电阻的执行器速率可随机调整,且液阻箱内设置有方便的注液孔,使得阻值变化速率均可根据工况要求、负载系统的实际情况进行调整,从而充分发挥了液态软起动柜现场可随机调整的优势。
3)液态软起动柜可实现电流自动闭环控制技术,响应速度更快、精度更好,对不同工况、负载的适应性更强。


