
所在地区天津 · 天津发布日期2021-05-11 13:54:52
江瑞本款对夹蝶阀阀板无销,密封性更强。可作切断介质用,又可作调节介质的流量用。
驱动装置根据用户要求,可手动、电动、气动等方式。选用不同材料的零件,配用不同材料的密封圈,可适应不同的介质、工况,使成本与性能达到良好效果。
产品特点:瑞此款无销蝶阀达到双向密封,易调节,无内泄,驱动方式可手动、电动、气动。
公称通径DN(mm) 32~1200
公称压力PN(MPa) 1.0~1.6
公称压力Ps(MPa) 强度试验 1.5~2.4
密封试验 1.1~1.76
主要 零件 阀体 HT200、QT450、WCB、CF8、CF8M、CF3M
阀板 球铁镀镍、球铁镀尼龙、CF8、CF8M、CF3M、2507、1.4469、1.4529全衬胶板等
密封圈 EPDM、NBR、PTFE、氟橡胶等
连接形式 对夹式、法兰式
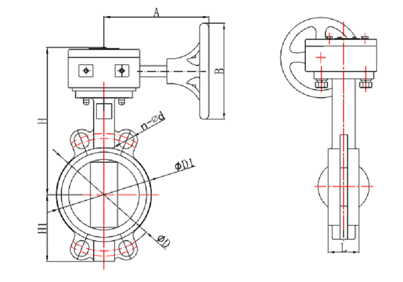
通径(mm) 安装尺寸
A B L H1 H ΦD1 ΦD n--Φd
PN10 PN16
DN40 148 136 34 65 174 89 110 110 4--20
DN50 148 136 42 70 192 97 125 125 4--20
DN65 148 136 45 72 206 112 145 145 4--20
DN80 148 136 45 90 217 127 160 160 4--20
DN100 148 136 52 108 232 160 180 180 4--23
DN125 148 136 55 120 222 188 210 210 4--23
DN150 148 136 56 134 272 216 240 240 4--23
DN200 193 263 61 166 317 268 295 295 4--23
DN250 193 263 66 206 356 330 355 350 4--23
DN300 210 263 77 234 381 384 410 400 4--23
DN350 210 263 77 265 419 422 470 460 4--23
DN400 301 400 86 297 475 473 525 515 4--26
DN450 301 400 104 331 301 526 585 565 4--26
DN500 215 300 130 361 317 599 650 620 4--26
DN600 334 300 152 459 334 693 770 725 4--30
