
所在地区天津 · 天津发布日期2021-05-11 13:52:55
这款碳钢手柄蝶阀在使用闸阀、截止阀、旋塞、胶管阀及隔膜阀的管路,均可用该阀替换,订货时该阀加带副管供货即可(请在合同中注明)
主要性能参数:
产品名称 中线对夹式蝶阀-圆脖体
产品型号 D71X
公称通径 DN40-900mm
公称压力 PN 1.0/1.6Mpa
适用温度 -23-121℃
适用介质 水、空气、食品、油品
主要零部件 阀体、阀瓣、阀杆、阀座、转轴
主要材料 碳钢、不锈钢、铸铁、球墨铸铁
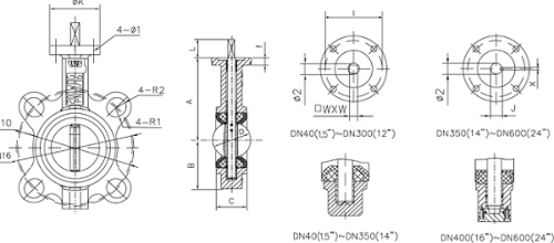
规格DN A B C D L D1 D2 Φ1 Φk E R1 R2 Φ2 f J X W*W 重量
(PN10) (PN16) Weight(kg)
32 125 73 32.9 35.8 32 100 100 7 65 50 R9.5 R9.5 12.6 10 9*9 2.52
40 125 73 33 39 32 110 110 7 65 50 R9.5 R9.5 12.6 10 9*9 2.52
50 125 73 43 52 32 125 125 7 65 50 R9.5 R9.5 12.6 10 9*9 2.74
65 136 82 46 64 32 145 145 7 65 50 R9.5 R9.5 12.6 10 9*9 3.55
80 142 91 45.21 78 32 160 160 7 65 50 R9.5 R9.5 12.6 10 9*9 3.66
100 163 107 52.07 104 32 180 180 10 90 70 R9.5 R9.5 15.77 12 11*11 4.7
125 176 127 55.5 123 32 210 210 10 90 70 R9.5 R9.5 18.92 12 14*14 6.5
150 196 143 55.75 155 32 240 240 10 90 70 R11.5 R11.5 18.92 12 14*14 7.4
200 228 170 60.58 202 45 295 295 12 125 102 R11.5 R11.5 22.1 15 17*17 10.7
250 258 204 68 250 45 350 355 12 125 102 R11.5 R14 28.45 15 22*22 15.6
300 292 240 76.9 301 45 400 410 12 125 102 R11.5 R14 31.6 15 22*22 24
350 336 270 76.17 333.3 45 460 470 14 150 125 R11.5 R14 31.6 18 34.6 8 24.5
400 368 325 85.7 389.6 51 515 525 18 175 140 R14 R15.5 33.15 23 36.15 10 37.1
450 400 356 104.6 440.5 51 565 585 18 175 140 R14 R14 38 23 10.95 10 48.3
500 438 395 130.28 492 64 620 650 18 175 140 R14 R14 41.14 27 44.12 10 65
600 562 475 151.36 593 70 725 770 22 210 165 R15.5 R15.5 50.65 27 54.62 16 117.5
